Твердые сплавы:
изделия буровые и горные:
для армирования резцов
- для армирования коронок
- для армирования шарошечных долот
- для армирования штыревых коронок
- для армирования тангенциальных резцов
- для армирования грейдерных ножей
- для армирования режущего инструмента тонелепроходческих щитов
- для армирования камнеобрабатывающего инструмента
- для армирования асфальторежущих резцов
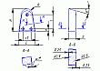
Форма Г22 (ГОСТ 880-75)
Для армирования резцов
Форма Г24 (ГОСТ 880-75)
Для армирования резцов врубовых машин и угольных комбайнов
Форма Г24а (ГОСТ 880-75)
Для армирования резцов врубовых машин и угольных комбайнов
Форма Г32 (ГОСТ 880-75)
Для армирования резцов вращательного бурения
Форма Г33 (ГОСТ 880-75)
Для армирования резцов вращательного бурения
Форма Г34 (ГОСТ 880-75)
Для армирования резцов вращательного бурения по углю и мягким породам
Форма Г34а (ГОСТ 880-75)
Для армирования резцов вращательного бурения по углю и мягким породам
Форма Г36 (ГОСТ 880-75)
Для армирования резцов вращательного бурения по углю
Форма Г37 (ГОСТ 880-75)
Для армрования резцов вращательного бурения по углю и мягким породам
Форма Г38 (ГОСТ 880-75)
Для армирования резцов вращательного бурения
Форма Г40 (ГОСТ 880-75)
Для армирования резцов вращательного бурения шпуров по вязким горючим сланцам и породам в сланцевых шахтах
Форма Г61 (ГОСТ 880-75)
Для армирования тангенциальных резцов
Форма Г64 (ГОСТ 880-75)
Для армирования резцов горнодобывающих комбайнов по углю
Форма Г63 (ГОСТ 880-75)
Для армирования резцов вращательного бурения по породам средней крепости и крепким
