Твердые сплавы:
изделия для волочения прутков круглого сечения
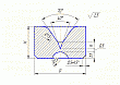
Форма 1 (ГОСТ 9453-75)
Для волочения прутков круглого сечения
Форма 2 (ГОСТ 9453-75)
Для волочения прутков круглого сечения
Форма 3 (ГОСТ 9453-75)
Для волочения прутков круглого сечения
Форма 4 (ГОСТ 9453-75)
Для волочения прутков круглого сечения
Форма 5 (ГОСТ 9453-75)
Для волочения прутков кругого сечения
Форма 6 (ГОСТ 9453-75)
Для волочения прутков круглого сечения
Форма 7 (ГОСТ 9453-75)
Для волочения прутков круглого сечения
Форма 8 (ГОСТ 9453-75)
Для волочения прутков круглого сечения
Форма 9 (ГОСТ 9453-75)
Для волочения прутков круглого сечения
Форма 10 (ГОСТ 9453-75)
Для волочения прутков круглого сечения
Форма 11 (ГОСТ 9453-75)
Для волочения прутков круглого сечения
Форма 12 (ГОСТ 9453-75)
Для волочения прутков круглого сечения
Форма 13 (ГОСТ 9453-75)
Для волочения прутков круглого сечения
Форма 14 (ГОСТ 9453-75)
Для волочения прутков круглого сечения
Форма 15 (ГОСТ 9453-75)
Для волочения прутков круглого сечения
Форма 16 (ГОСТ 9453-75)
Для волочения прутков круглого сечения
Форма 17 (ГОСТ 9453-75)
Для волочения прутков круглого сечения
Форма 18 (ГОСТ 9453-75)
Для волочения прутков круглого сечения
Форма 19 (ГОСТ 9453-75)
Для волочения прутков круглого сечения
Форма 20 (ГОСТ 9453-75)
Для волочения прутков круглого сечения
