ПРОИЗВОДСТВО, ПЕРЕРАБОТКА, ПРОДАЖА ТВЕРДЫХ СПЛАВОВ И ИНСТРУМЕНТА
ПечататьНа главную

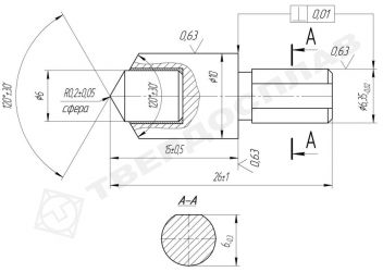
МЕРИТЕЛЬНЫЙ ИНСТРУМЕНТ: НАКОНЕЧНИК ТВЕРДОСПЛАВНЫЙ К ПРИБОРУ РОКВЕЛЛА

ТУ 48-19-91-89

Предназначен для измерения твердости, по методу Роквелла по шкале С, металлов и сплавов с твердостью не более 50 ед. HRCэ.

Наконечник состоит из рабочей части твердосплавной вставки из сплава ВК6 по ГОСТ 3882-74, запаянной в стальную оправку латунным припоем ЛНКОМЦ или латунью Л63. Оправу изготавливают из стали марки 12ХН3А по ГОСТ 4543-71.

Обозначения и размеры: