ПРОИЗВОДСТВО, ПЕРЕРАБОТКА, ПРОДАЖА ТВЕРДЫХ СПЛАВОВ И ИНСТРУМЕНТА
ПечататьНа главную

ТВЕРДЫЕ СПЛАВЫ: ИЗДЕЛИЯ ИЗНОСОСТОЙКИЕ: ГИДРОМОНИТОРНЫЕ НАСАДКИ

Резьбовые

Резьбовые

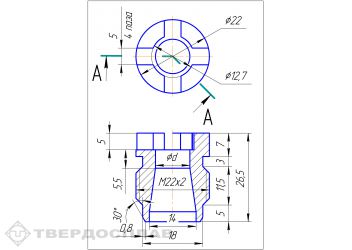
Обозначения и размеры:

 Диаметр выходного отверстия d+/-0.4 мм            
Резьба Диаметр 6.35 7.14 7.94 8.73 9.53 10.32 11.11 11.91 12.7 14.29 15.88 17.46 19.05
  входного                          
  отверстия                          
М22х2 14 Х Х Х Х Х Х Х Х Х        
М27х2 18   Х Х Х Х Х Х Х Х Х Х    
М30х2 19         Х Х Х Х Х Х Х Х Х