В производстве

Специальные
Предназначены для проката на металлургических предприятиях.
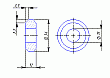
Твердые сплавы: изделия специальные: Тердосплавные ролики
Прямоугольный (ТУ 16-705.451-87)
Предназначена для изготовления проволоки алюминиевой
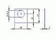
Твердые сплавы: изделия для волочения полос прямоугольного сечения Волоки прямоугольного сечения
Гладкие с креплением под штифт
Гладкие с креплением под штифт
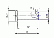
Твердые сплавы: изделия износостойкие: гидромониторные насадки
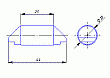
Гладкие под запрессовку
Гладкие под запрессовку
Твердые сплавы: изделия износостойкие: гидромониторные насадки





